



MM238RW FPV Receiver Module
(4.9G/5.8G/6.0G SPI Interface)
MM238RW 5.8G 4.9G 6.0G Wireless FPV Image Transmission Open Source SPI Receiver High Sensitivity
The MM238RW delivers low-latency CVBS video output with exceptional interference resistance. Designed for developers requiring SPI-based customization, it supports advanced FPV applications including drone racing, aerial cinematography, and long-range exploration.
1. Technical Specifications
DC Characteristics
| Parameter | Specification |
| Supply Voltage | 3.6V – 5.0V DC |
| Current Consumption | 190mA (Max) |
Environmental Ratings
| Parameter | Specification |
| Storage Temperature | -40°C to +85°C |
| Operating Temperature | -30°C to +80°C |
| Operating Humidity | ≤85% RH (non-condensing) |
RF Performance
| Parameter | Specification |
| Frequency Range | 4867 – 6060 MHz |
| VSWR | ≤2:1 |
| Demodulation | FM/PLL |
| IF Frequency | 480 MHz |
| Antenna Impedance | 50 Ω |
| LO Frequency Stability | ±100 kHz |
| LO Frequency Precision | ±100 kHz |
| LO Control | Phase-Locked Loop (PLL) |
| LO Leakage | ≤ -55 dBm |
| Receiver Sensitivity | -90 dBm (Typ.) |
| Input Level Range | -90 dBm to +5 dBm |
| IF Bandwidth (3dB) | 16.5 MHz |
Video Characteristics
| Parameter | Specification |
| Output Impedance | 75 Ω |
| Output Level | 1V ±0.2Vp-p |
| Signal Polarity | Negative |
| Frequency Response | ±5dB (50Hz – 6MHz) |
| Differential Gain | ≤ ±5% |
| Differential Phase | ≤ ±5° |
| S/N | 38dB, Min |
| Transmission range | 150m~250m (line of sight) @ Transmitter power 14dBm |
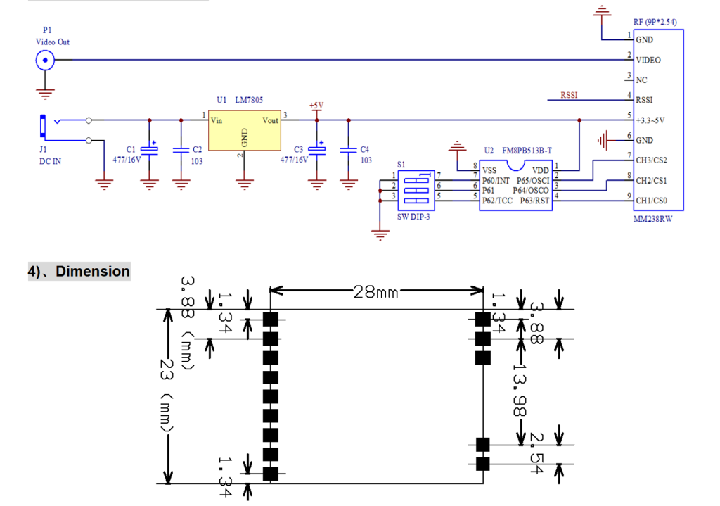
| Dimension | 28.4mm(L) * 23mm(W) * 3.3mm(H) |
| Weight | Approx.: 3.9g |
Key Features
SPI Programmable Interface: Customizable frequency tuning and channel control
High Interference Immunity: Robust performance in congested RF environments
Ultra-Low Latency: <10ms video processing delay
Integrated PLL: Precise frequency synthesis

| Pin Number | Function |
|---|---|
| 1 | GND |
| 2 | Video Output |
| 3 | NC (No Connection) |
| 4 | RSSI (Received Signal Strength Indicator) |
| 5 | Power Input (+3.3V to +5V DC) |
| 6 | GND |
| 7 | CH3 / SPI CLK (Clock) |
| 8 | CH2 / SPI LE (Latch Enable) |
| 9 | CH1 / SPI DATA (Data) |
| 10 | GND |
| 11 | GND |
| 12 | GND |
| 13 | Antenna RF Input |
| 14 | GND |
Typical Applications
FPV drone racing receivers
Custom ground station solutions
Aerial photography video links
Industrial surveillance systems
Compliance & Certifications:
FCC Part 15.247
CE RED Directive 2014/53/EU
RoHS 3 (2015/863)
LO = Local Oscillator, IF = Intermediate Frequency, VSWR = Voltage Standing Wave Ratio
Specifications subject to change without notice. Refer to MM238RW datasheet v2.3 for SPI protocol details.

🚀 Introduction to FPV Video Transmission
First-Person View (FPV) drone flying relies on robust video transmission systems to deliver real-time footage from the drone’s camera to the pilot’s goggles or ground station. These systems, typically consisting of a video transmitter (VTX) and receiver (VRX), operate on various frequency bands like 1.2GHz, 1.3GHz, 5.8GHz, and even specialized ranges such as 4.9GHz-6.0GHz. Key factors like power output, sensitivity, and form factor determine their performance in different scenarios, from racing to long-range exploration. For instance, the 5.8G 600mW VTX offers 48 channels and a compact design, making it suitable for mid-range FPV applications 1. Meanwhile, systems like the 1.2G/1.3G 800mW VTX/VRX emphasize long-range capabilities with 8 channels and high frequency stability.
📡 Key Specifications and Technologies
- Frequency Bands and Power Output
- 1.2GHz/1.3GHz Systems: Ideal for long-range applications, as lower frequencies penetrate obstacles better. The 1.2G/1.3G 800mW VTX/VRX achieves ranges up to several kilometers with 8 channels and ±100kHz frequency stability.
- Multi-Band and High-Power Systems: Modules like the MM238RW (4.9G-6.0GHz) and TX52W (5.8G 2000mW) cater to specialized needs. The TX52W supports 8 channels and ranges up to 20km with directional antennas but requires careful installation to avoid electromagnetic interference.
- Advanced Features
- Open-Source and SPI Compatibility: Receivers like the MM238RW and SK1200-SPI leverage open-source SPI interfaces, enabling customization and high sensitivity for clear signal decoding.
- Digital Integration: Systems such as the DJI FPV Digital HD provide low-latency 720p/120fps video, supporting multiple pilots simultaneously with minimal interference.
- Software-Defined Radio (SDR): Projects using GNU Radio and USRP hardware offer flexible, cost-effective telemetry reception, highlighting trends toward SDR solutions in drone technology.
⚙️ Performance Considerations and Selection Tips
- Range vs. Obstacle Penetration: Lower frequencies (e.g., 1.2GHz) excel in long-range and obstacle-dense environments but may require larger antennas. Higher frequencies (e.g., 5.8GHz) are compact but more prone to blockage.
- Power and Heat Management: High-power VTXs (e.g., 5W units) need adequate cooling and isolation from sensitive components like flight controllers and GPS to prevent interference.
- Antenna Compatibility: Using matched antennas is critical. For example, high-gain directional antennas can extend range but narrow the signal beam, requiring precise aiming.
- Regulatory Compliance: Ensure equipment adheres to local regulations regarding frequency bands and power levels to avoid legal issues.
💡 Practical Applications and System Choices
- Long-Range and Agricultural Drones: opt for lower frequencies (1.2GHz/1.3GHz) or high-power systems like the 500MHz 5W VTX/VRX, which offers customizable bands from 300MHz to 900MHz for ultra-long distances.
- HD and Digital FPV: For minimal latency and high clarity, digital systems like DJI FPV are unmatched, though at a higher cost.
- Custom and DIY Projects: Open-source SPI-based receivers (e.g., MM238RW) and SDR solutions provide flexibility for hobbyists and developers.
🔮 Future Trends and Innovations
- Digital HD Adoption: Systems like DJI’s are setting new standards for image quality and reliability, likely pushing analog systems into niche roles.
- SDR and Open-Source Development: Projects using GNU Radio and USRP demonstrate the potential for software-defined solutions to democratize advanced telemetry and video reception.
- Integration with Agricultural and Commercial Drones: As seen with accessories like folding arms and spray systems, video transmission is becoming part of larger ecosystems tailored for specific applications.